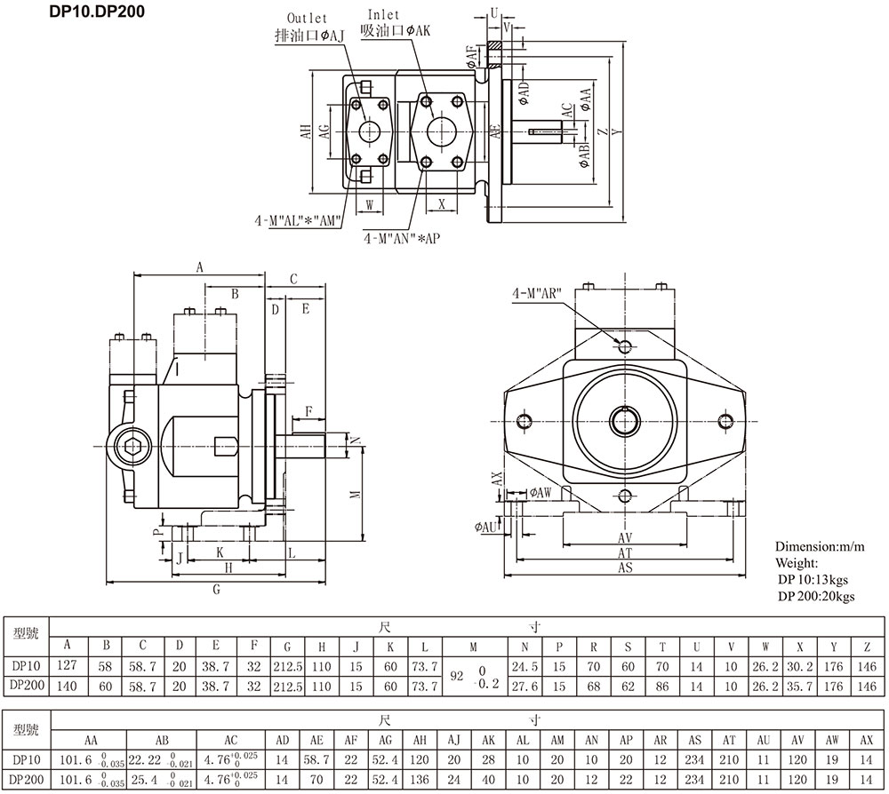
台湾TAICIN泰炘DP高压单段泵


DP12—15型的幫浦
在壓力140kgf/cm2,1200rpm情形下,它的噪音在70dBa以下.
DP206—212型的幫浦
在壓力175kgf/cm2, 1800rpm情形下,
吐出量為125—191.5 l/min.
特性
- 壽命長。
- 低噪音。
- 體積小,重量輕。
規格
| 型號 | 在轉速1800RPM. 粘度56MM²/S下的測量值 | 重量 (KG) |
||||||||||||
|---|---|---|---|---|---|---|---|---|---|---|---|---|---|---|
| 吐出量 (l/min) | 軸功率 (kw) | |||||||||||||
| 7kgf/cm² | 35kgf/cm² | 70kgf/cm² | 105kgf/cm² | 140kgf/cm² | 175kgf/cm² | 7kgf/cm² | 35kgf/cm² | 70kgf/cm² | 105kgf/cm² | 140kgf/cm² | 175kgf/cm² | |||
| DP12 | 23.0 | 22.5 | 22.0 | 21.0 | 20.0 | 18.0 | 0.7 | 1.8 | 3.5 | 5.2 | 6.8 | 8.3 | 法蘭 13 |
腳座 18 |
| DP13 | 33.5 | 33.0 | 32.0 | 31.0 | 29.5 | 28.5 | 0.9 | 2.7 | 5.0 | 7.3 | 9.4 | 11.6 | ||
| DP14 | 44.0 | 43.5 | 42.5 | 41.0 | 39.5 | 37.0 | 1.3 | 3.5 | 6.5 | 9.3 | 12.0 | 14.8 | ||
| DP15 | 55.0 | 54.5 | 53.5 | 52.0 | 51.0 | 48.0 | 1.5 | 4.6 | 8.1 | 11.8 | 15.3 | 18.8 | ||
| DP206 | 67.0 | 65.0 | 63.0 | 61.0 | 59.0 | 56.0 | 2.3 | 5.5 | 9.9 | 14.4 | 18.6 | 23.1 | 法蘭 20 |
腳座 25 |
| DP208 | 82.0 | 80.0 | 78.0 | 75.5 | 73.0 | 70.0 | 2.7 | 7.0 | 12.2 | 17.5 | 22.9 | 28.1 | ||
| DP210 | 104.0 | 102.0 | 99.0 | 96.0 | 93.0 | 89.0 | 3.2 | 9.0 | 15.5 | 22.3 | 29.0 | 35.8 | ||
| DP212 | 120.0 | 118.0 | 115.0 | 112.0 | 108.0 | 104.0 | 3.4 | 10.5 | 18.3 | 25.7 | 33.4 | 40.9 | ||
形式記號說明





添加企业微信