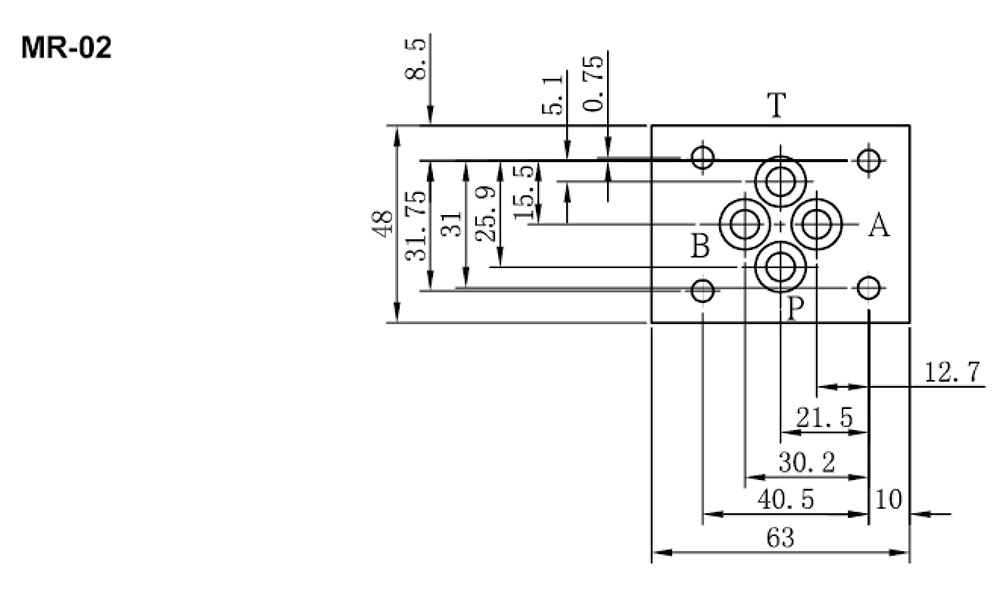
台湾TAICIN泰炘MR积层式溢流阀


溢流閥可稱為調壓閥,亦可稱為安全閥它在正常工作時為常開, 並會將多餘的液壓油排回油箱,以維持液壓系統的基本穩定.
特性
- 油箱口的背壓應儘可能低於5 kg/cm²。
- 若作為安全閥使用的話,設定壓力應高於最高回路壓力的10 - 15kg/cm²。
規格
| 型式號碼 | 稱呼口徑 (PT) DIA. |
最大壓力 (KG/CM²) |
最大流量 (LPM) |
|---|---|---|---|
| MR-02A (B) (P) | 1/4” | 210 | 35 |
| MR-02W | 1/4” | 35 | |
| MR-03A (B) (P) | 3/8” | 70 | |
| MR-03W | 3/8” | 70 | |
| MR-04A (B) (P) | 1/2” | 200 | |
| MR-06A (B) (P) | 3/4” | 180 |
形式記號說明













添加企业微信